

技术参数:
| 材料: | |
| -阀体 | 铸造黄铜 CuZn35Al |
| -阀芯 | 黄铜 / 不锈钢 |
| 237.0600-xxx-0 | |
| 密封套件 | 丁腈橡胶 |
| 最大工作压力 | 16 bar |
| 允许最大压差 | 16 bar |
| 公称压力 | PN 16 |
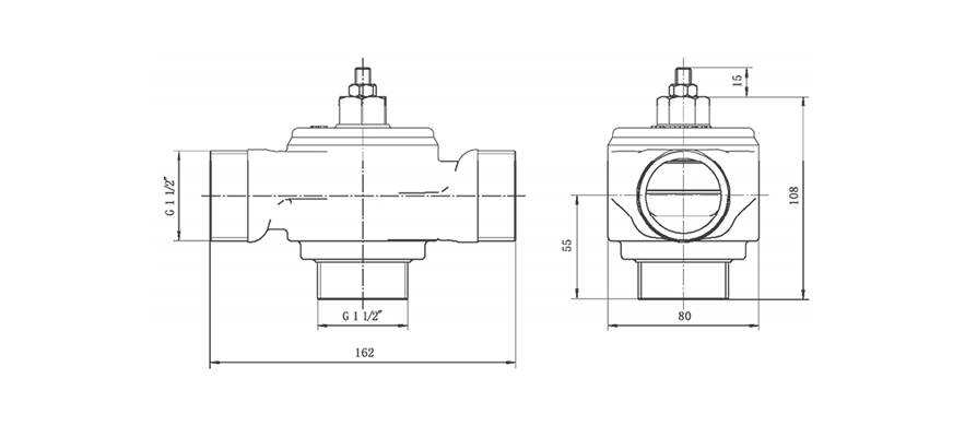
| 连接方式 | 外螺纹 G 1 1/2" |
| 重量 | 2.3 Kg |
| 流量系数 | 24 m³/h |
如果AKO温度调节阀阀芯发生故障,机械的手动调节装置可用于手动复位。
〖 注意 ! 〗 :当AKO温度调节阀正常工作的时候,不能用紧急手动调节来设置温度!
可提供温度调节范围: | ||||
| 04 – 11 ℃ | 35 – 46 ℃ | 49 – 60 ℃ | 68 – 77 ℃ | 93 – 101 ℃ |
| 22 – 30 ℃ | 39 – 49 ℃ | 54 – 65 ℃ | 76 – 88 ℃ | 97 – 107 ℃ * |
| 29 – 40 ℃ | 43 – 54 ℃ | 60 – 71 ℃ | 82 – 93 ℃ | 101 – 121 ℃ ** |
ⓘ 连续工作的最高温度不能超过AKO温度调节阀全开温度15 ℃。
* AKO温度调节阀最高工作温度120 ℃。
** AKO温度调节阀最高工作温度125 ℃。
AKO温度调节阀的安装位置不同作用也不同。
作为分流阀:
➣ 路径A:从电机来
➣ 路径B:去旁路
➣ 路径C:去冷却器

作为混合阀:
➣ 路径C:从冷却器来
➣ 路径B:从旁路来
➣ 路径A:去电机

路径已经标注在接口处,AKO温度调节阀可以根据需要安装在不同位置。
AKO温度调节阀适用于稳定介质温度(例如:水、油等),在应用中可以用作分流阀,也可以用作混合阀。该AKO温度调节阀的优点是免维护、操作方便、耐压能力强。更换阀内件无需把AKO温度调节阀从管道上拆下,错误的安装除外。AKO温度调节阀可以安装在任何位置。典型应用为水冷系统与油冷系统。
AKO温度调节阀内部配有容易更换的充蜡阀芯,阀芯的个数取决于AKO温度调节阀的公称通径。该阀芯通过吸收周围介质的温度,随即开始膨胀,改变自身长度(阀门行程),从而改变阀门路径。AKO温度调节阀不需要任何辅助能源,随着温度上升,超过了该AKO温度调节阀的开启温度,阀门内部的管状滑块随即被从阀座上提起,路径A到C的通道打开,与此同时,路径A到B的通道被同比例关闭。通道的开闭变化与流经AKO温度调节阀介质的温度变化成比例。
手动调节装置:为了满足某些行业的更高安全需求,该系列AKO温度调节阀配有手动调节装置。此手动调节装置只是一个复位设施,它不能用于AKO温度调节阀自动运行时手动设置温度,只能在阀门发生故障时通过该装置把自动控制阀作为手动转换阀来用。操作时,通过拧调节螺丝把AKO温度调节阀的阀芯设置到希望的任何位置,并观察温度表把管道系统的介质调整到所需的工作温度。


AKO Regelungstechnik GmbH & Co KG