自励式温控阀的安装(B226-0120-CN)
安装自励式温控阀之前,必须冲洗并清洁系统,确保设备无压力且没有任何介质,冷却至环境温度。
自励式温控阀安装:
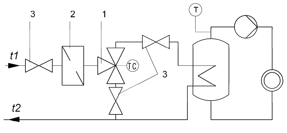
安装自励式温控阀,把温控阀与后续操作单元连接时,法兰的连接位置必须服从自励式温控阀的功能。低于温控阀开启温度时通道A-B是打开的,接口B总是连接至旁路,接口C总是连接至热交换器上。
自励式温控阀安装在热交换器上的示例:
自励式温控阀安装注意事项:
如果系统或设备制造商已发布了具体的安装说明,请确保遵守这些说明。除安装工作的一般原则外,自励式温控阀安装还应注意如下各项:
- 自励式温控阀安装前请确保设备无压力且没有任何介质; - 如遇高温,请等待自励式温控阀冷却至环境温度; - 如果属于腐蚀性、易燃性、侵蚀性或有毒介质,请清洗管道系统。 |
- 设计师/施工公司或运营商负责自励式温控阀的定位与安装;
- 对于户外应用或促进腐蚀的不利环境(如海水、化学蒸汽),建议采用特殊结构或保护措施;
- 安装自励式温控阀之前,必须冲洗并清洁系统,否则会损坏锥体/阀座区域,并堵塞控制孔;
- 加装温度计以控制介质温度;
- 在自励式温控阀上游安装一个过滤器,以防止流经介质携带的任何密封件、焊接飞溅物和其他杂质妨碍温控阀的正常运行,尤其是影响阀门关闭严密。过滤器的滤芯必须向下悬挂。
- 自励式温控阀的安装位置应易于接近,并为日后维护与更换温控阀阀芯留下足够的空间。
- 在自励式温控阀的上游与下游各安装一个切断阀,以便在不排空系统的情况下进行维修和维护工作。
有关自励式温控阀的应用、限制、使用限制和可能性,请参阅数据表。
本文版权归网站所有,转载请联系并注明出处:
https://www.ako-regelungstechnik.com/article-detail/b7ww2gPb

- 自励式温控阀安装前请确保设备无压力且没有任何介质;