武汉艾美森科技有限公司欢迎您!
收藏本站 | 在线报价 | 站点地图 |
联系我们
温控阀全球领导者
德国研发、生产温控阀的专业厂家
技术
领先
质量
稳定
证书
保障
德国
制造
免于
维护
服务热线:
13607267627
网站首页
温控阀产品
温控阀安装与维护
温控阀常见问题
关于我们
联系我们
搜索
热门搜索:
温控阀 恒温阀 温度调节阀 自动恒温阀...
您的位置:
首页 >>
温控阀安装维护
温控阀安装维护
您的位置:
首页 >>
温控阀安装维护
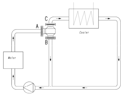
自驱动温控阀适用范围与工作原理(B226-0120-CN)
自驱动温控阀适用于冷却系统,通过感温原件的尺寸变化来调节阀门的行程,可作为分流阀或者混合阀,维修方便,免维护。
2024-01-28
1
2
资讯中心
温控阀安装维护
温控阀技术支持
服务热线
027-82601557
最新资讯
1
自力式恒温调节阀阀芯更换-拆除与安装(B226-0120-CN)
2
自力式恒温控制阀的维修与维护(B226-0120-CN)
3
温度控制调节阀的紧急手动调节(B226-0120-CN)
4
自励式温控阀的安装(B226-0120-CN)
5
AKO调温阀铭牌标识与运输储存(B226-0120-CN)
我公司拥有一支技术精湛的服务团队,以卓越的服务品质、专业安全的技术服务实力,为不同行业的用户提供更高效更优质的服务!
友情链接
夹管阀
管夹阀
胶管阀
夹紧阀
挤压阀套
阪神/TPG减速机
快速导航
首页
温控阀
温控阀安装与维护
温控阀资讯
关于我们
联系我们
地址:
武汉市江岸区黄孝河路182号华中国际广场B座906室
联系电话:
027-82601557
邮箱:
13607267627@163.com
本站使用
百度智能门户
搭建
管理登录
鄂ICP备10011928号-4